四川仁爱医疗基金会
关于我们
|
联系我们
|
English
关于仁爱
捐款方式
项目活动
财务报告
法律法规
公益论坛
主页
关于仁爱基金会
仁爱基金会章程
财务管理制度
基金管理办法
捐款账号
捐款协议
公益活动
公益项目
财务管理制度
基金管理办法
票据管理制度
现金及银行存款管理制度
基金会名称管理规定
基金会年度检查办法
公益事业捐赠法
关于仁爱基金会
关于仁爱基金会
仁爱基金会章程
财务管理制度
基金管理办法
基金会项目活动
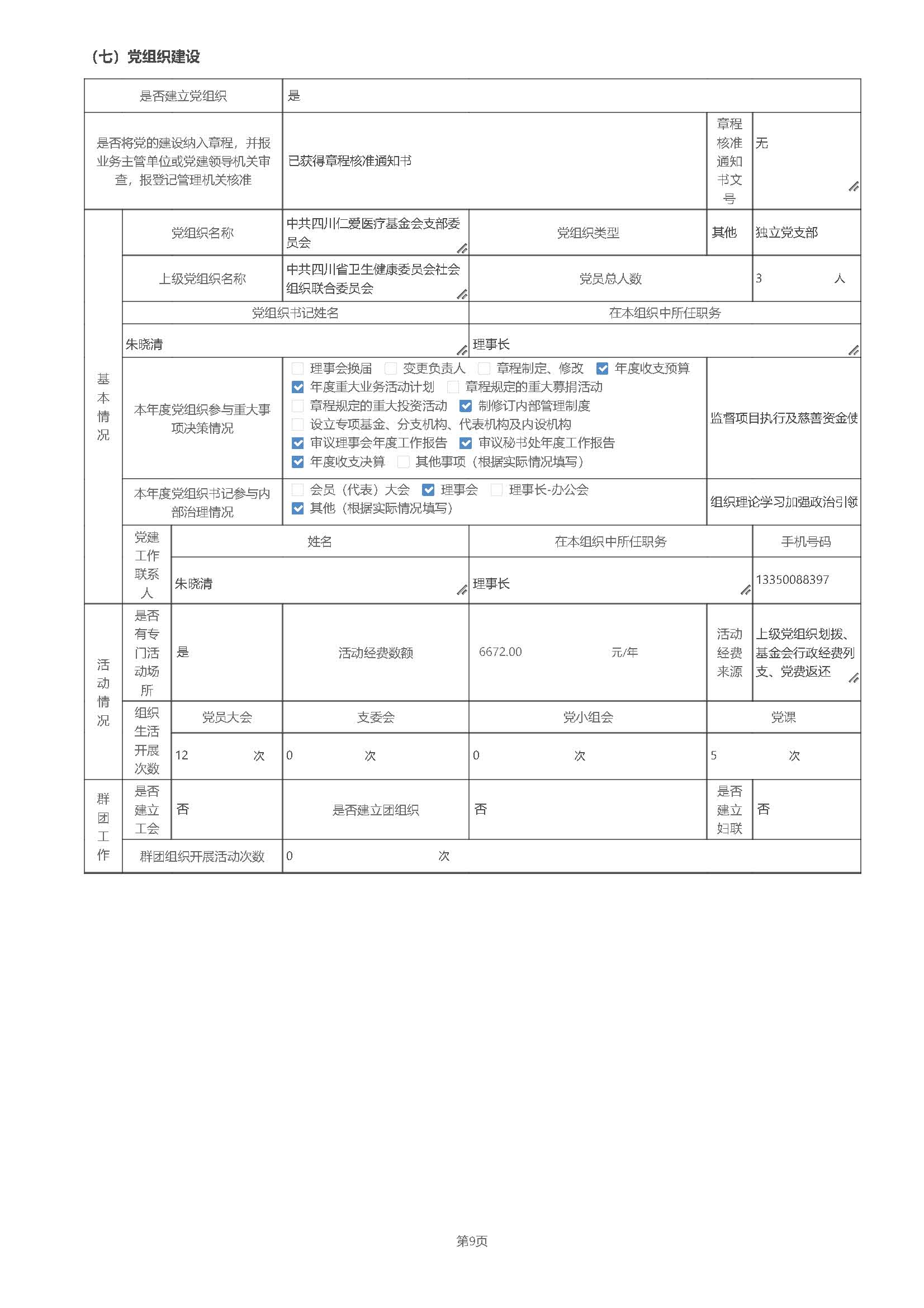
四川仁爱医疗基金会2024年年度工作报告(全文)
发布时间:2025-08-11
四川大学华西第二医院
四川省民政厅
四川省卫生厅
中国-支教联盟
台湾屏东医院
四川仁爱心理咨询中心
成都市武侯区善工家园助残中心